Need Rudder and swing keel dimensions (1981, H22)

SeaTR

.
Jan 24, 2009
408
Hunter 22 Groton
Hey Herv,
How'd you do this summer/fall in PA? Get most of those work list items done and get some sailing in?

SeaTR
 
Dec 14, 2009
25
Hunter 22 Naples
Re: I have what you need

I just posted a request for prints of the 22 swing keel and now have seen your post. Any chance that you might have some pics of the keel laying around???
Much Gracias if you do
Tim (armesy1954@yahoo.com)
 

SeaTR

.
Jan 24, 2009
408
Hunter 22 Groton
armesy1954, Yes I have "some" keel pix. What exactly are you looking for ?? Give me the details of your needs and I'll diig around in the archives . Others have provided some dimensions, but most are not 'detailed'. Happy Holidays , btw.

SeaTR
 
Dec 14, 2009
25
Hunter 22 Naples
Sorry for the delay, I am still learning the site. If you've seen the other thread, I'm closing in what is really needed. To recap, I'm told the boat was blown over while on the trailer by one of the 2004 hurricanes and 'repaired' by glassing off the cb trunk. I will probably start getting down to tasks next week with my di-grinder to see the extent of what I'll have to do to put it right. For now I'm expecting the worst; the PO took out the cb and pitched it, the PO modified the lower cb trunk length, stuck some steel in the hole and then glassed everything over. (I can see water dripping from the bottom center of the 'keel' and a rust spot at the residue center). So I'm also interested in the make up of the cb, any steel in it?
The pics I've seen will be a huge help, I'm just greedy for information!
Thanks for your interest and help,
Tim
 

SeaTR

.
Jan 24, 2009
408
Hunter 22 Groton
Okey dokey now...., I have more pix, BUT with the # of pics on my computer, it will take a while. NONE of them will have cross-sectional views, and I have no idea what's in the core of my swing keel.
 
Dec 14, 2009
25
Hunter 22 Naples
Great! Any additional info generated will just make it that much easier to fix / make a new one. No rush, well, I'd like to get this done in the next month or so...
Again,, thanks for your input and help.
Tim
 
Jan 29, 2007
95
Hunter 22 Pelham Manor, NY (1981 H22)
If anyone needs it, i recently rebuilt by 1981 H22 swing keel. I had to grind out the nylon bushing that accepts the stainless steel axle/pivot. I bought a foot length of nylon 612 1.5 inch diameter dowel and had a local shop drill a 9/16 " hole on center, and cut length to 2 1/8 " to recreate the nylon bushing and then i re-glassed that into place with West System epoxy. anyway, i have ten inches of the 1.5 " diameter nylon dowel if anyone wants it. enough to rebuild 4 or 5 swing keels.
 

SeaTR

.
Jan 24, 2009
408
Hunter 22 Groton
armesy1954,
OOOPPS !! I forgot all about your pix request... my how time flies (especially with grandkids so near)! I will look into my pix archives for swing keel pix that are different than any in this forum discussion. Did you already complete your keel repairs ? BTW, are you in the water yet? I just launched last week and am at my mooring.

SeaTR
 
Last edited:
Dec 14, 2009
25
Hunter 22 Naples
Naw, mine is still on stilts in the yard. I have formed the new centerboard and am just about ready to do the glass work on it. Just waiting for a bushing to to put in place. I've made requests to the 'splinter 22 group' but haven't gotten any replies. If I don't hear anything in the next couple, I'll try the fella a couple of posts previous with the nylon stock. The next thing I really need is TIME. Summer is supposed to be the slow season at the marina where I work, but with the serious back log of maintenance requests, all I can do is look at my boat as I take another piece of equipment to the shop. At the present rate, I'll be in the water in time for my retirement!
Tim
Happy sailing everyone!
 

SeaTR

.
Jan 24, 2009
408
Hunter 22 Groton
Sounds Like you're getting some progress

Tim,
Sooooo, if you are about to glass over your swing keel, I guess you have all the information that you need on dimensions ?? Once again, I can't help out with the internal construction of the swing keel as I have never had the "distinct pleasure" of repairing / reworking it yet. Do you still want me to look for any more pix of my swing keel, or are you all set for now ??

Charlie
 
Dec 14, 2009
25
Hunter 22 Naples
I think I'm set for now. I am deeply in dept for the posted pictures. I printed them out and scaled the size and shapes and transfered them to full size foam. the only things yet to do is figure the method of anchoring the extension ring, and gaining access to the well to replace / install the pulleys and other hardware. I also got a great shot of a retracted centerboard showing the mount angles. Know I'll know what to look for as I grind away all the nastyness from the bottom, which begins tomorrow. This is truely an amazing site, chock full of excellent info. Like the bulkhead replacement I will have to do now that I know what to look for. (Mine is disgusting, sigh) I just keep telling myself, "It's the journey that matters".
 

SeaTR

.
Jan 24, 2009
408
Hunter 22 Groton
Good deal for armesy1954, rockp2 makin' waves??

I think I'm set for now... I just keep telling myself, "It's the journey that matters".
armesy1954,
I'm glad the site is meeting your needs. I've found some interesting discussion threads in the archives. And btw, it REALLY is the journey that matters !!

Hey rockp2,
Have you whittled down that "honey-do" list enough to get your boat on the water ??

SeaTR
 

SeaTR

.
Jan 24, 2009
408
Hunter 22 Groton
Swing keel latest developments

Well guys,

Had an up/down haul cable failure combined with a very low tide caused the loss of my swing keel in 5' of water ... eventually settling in the mud. Two failed swing keel bracket bolts (mechanical torque) also contributed to the loss of the keel. The keel has been subsequently recoverered, abrasion damage repaired, and the up/dn cable completely replaced.

NOW, what's left to do is get a diver to assist in the re-installation... What's nice about the Hunter 22' is that the ballast is NOT in the keel, but rather centerline in the bilge (1300# worth). That makes the swing keel VERY easy to handle. ...maybe this week I'll be back to sailing !!

SeaTR
 
Last edited:
Jun 16, 2010
495
In search of my next boat Palm Harbor, FL
I also had a problem with my keel. Basically it broke in half. I bought a new one from Foss Foam in FL. They were the OEM for the keel, and still have the mold for it. I sent them a broze bushing which they installed during the manufacturing of it. I wont be working on it for a couple weeks, so if you need any information from an original new keel I should be able to get it for you.
 

SeaTR

.
Jan 24, 2009
408
Hunter 22 Groton
well thanks, maybe you can help out some...

inarathree,

I'm always interested in photos of other peoples' (H22) keels and rudders, as I had neither one intact when I started working on my salvage boat 3 years ago. Dimensions and/or pictures are VERY much appreciated, if you can get them.

SeaTR
 

SeaTR

.
Jan 24, 2009
408
Hunter 22 Groton
inarathree,
Thanks for your help, even the picture you have posted so far is a lot of assistance.

SeaTR
 
Dec 14, 2009
25
Hunter 22 Naples
Hey Guys, I'm ghosting on this thread as I continue my slow build of the centerboard. I'm ready to install the pivot bushing, (I'm using nylon since that's what I had laying around). Is there any lead in the centerboard? I'm having a little trouble wrapping my mind around the up and down and how it stays in position...
Thanks
Tim
 

SeaTR

.
Jan 24, 2009
408
Hunter 22 Groton
swing keel makeup

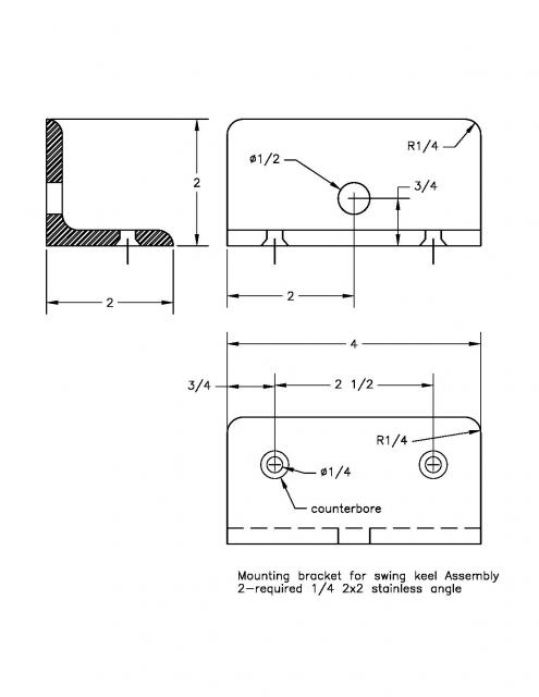
there is NO lead in my swing keel...no need to as there is ~1300# of lead in the bilge on either side of the swing keel's trunk and below the deck boards. Only materials that I've run into for the keel is plywood, foam, and fiberglass (a little s.s. around the up/down haul fitting).

RE: the swing keel // up/down haul configuration...see the attached pix and diagrams.
Hope this helps...
 

Attachments