I used to spend a lot of time helping people out with their wiring diagrams. I eventually gave up, because as time went by there became two camps: 1) those that "got it" and 2) those that kept trying to reinvent the wheel.
So what I did instead was to gather a lot of different wiring diagrams in one place for people to use as guides. Why? Because regardless of what some electridiots would say, there really are only a few different ways to safely wire recreational boats in the range of the ones we talk about on this forum. No need to reinvent the wheel.
You have a good start and appear to be organized. Now you need to drill down on what is going on and how connections are made and WHY.
***************************
Here are some links: (these all come from my Electrical Systems 101
Electrical Systems 101 )
OEM 1-2-B Switch Wiring History
Alternator/Batteries & "The Basic" 1-2-B Switch BEST Wiring Diagrams
1-2-B Considerations (New 2020 - Rod (Maine Sail) finally got around to diagramming what I had done in the above link in 2009

)
1/2/BOTH Switch Considerations
Basic Battery Wiring Diagrams
This is a very good basic primer for boat system wiring: Basic Battery Wiring Diagrams
This is another very good basic primer for boat system wiring: The 1-2-B Switch by Maine Sail (brings together a lot of what this subject is all about)
http://forums.catalina.sailboatowners.com/showthread.php?t=137615
This is a newer primer for boat system wiring design with a thorough diagram: Building a Good Foundation (October 2016)
Building a DC Electrical Foundation
The Short Version of the 1-2-B Switch Stuff:
Electrical Systems 101 This is a link to the Electrical Systems 101 Topic, reply #2
What are ACRs, Combiners & Echo Chargers? (by Maine Sail) [scroll to the top]
http://forums.catalina.sailboatowners.com/showthread.php?p=742417 and
Battery isolator / voltage regulator / batteries
Making Sense of Automatic Charging Relays (2019)
Making Sense of Automatic Charging Relays - Marine How To
*****************************
******************************
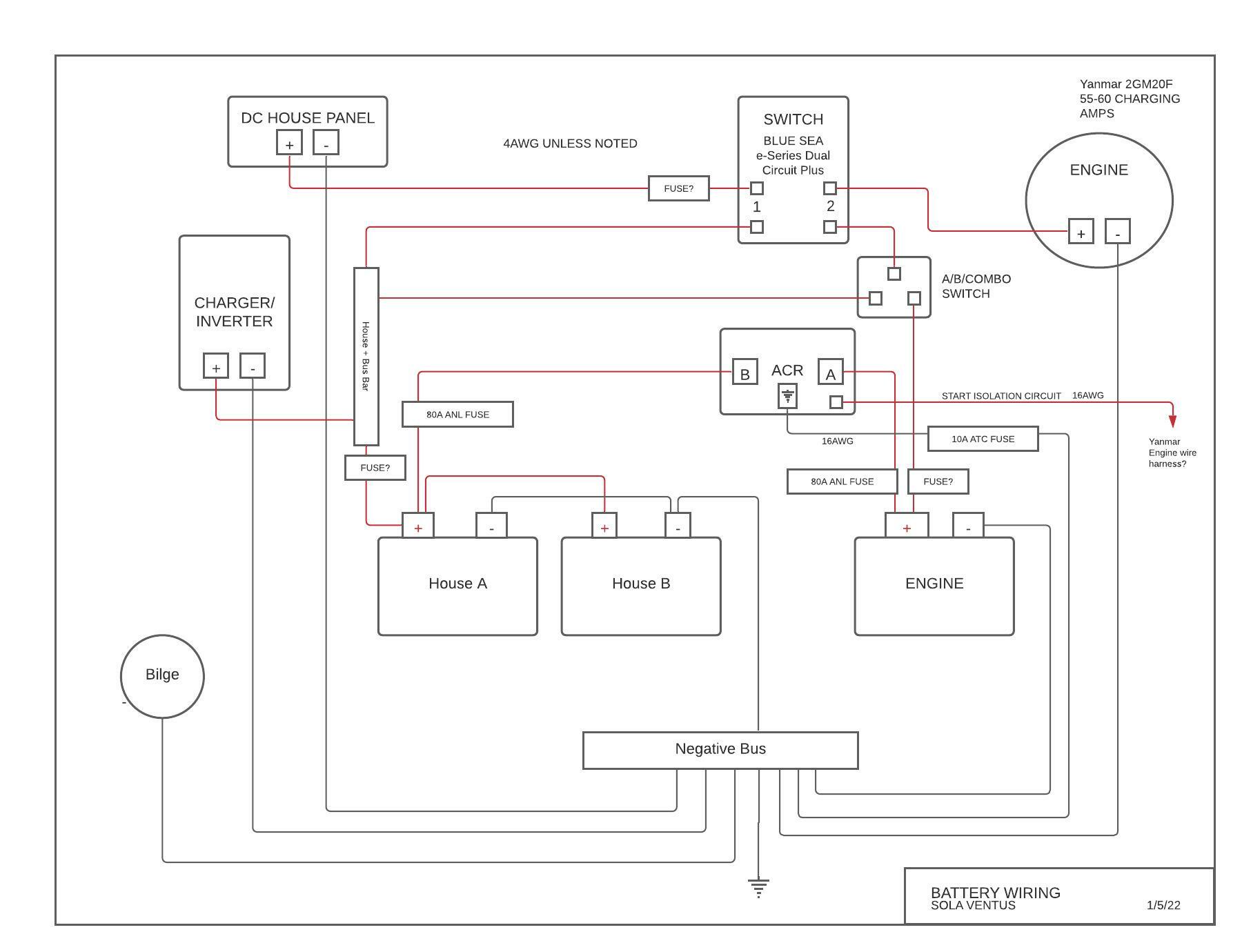
kj, in your case it's a nice diagram but I don't understand it.
1. What does "engine" mean? As far as electrical systems are concerned, there are only two parts of the engine that are involved: the starter - which gets power FROM the batteries and usually goes through a switch or switches(s); and the alternator - which produces power and goes TO the battery bank, and most all knowledgeable boat electrical folks recommend to the HOUSE bank and the VSR will charge the "almost always full" start bank.
2. The BS DCP switch has some serious limitations for sailboats. Here's why:
AGM Battery Issues and the Blue Seas Dual Circuit Switch (from Maine Sail) "DARN AGM Batteries"
Darn AGM Batteries
3. Fuses are not required on (-) wires
4. Repeated mantras: the battery is the power source, consider it a big bomb; fuses for equipment; fuse for the wire size. BlueSeas has a good writeup for how to do it on their website.
5. There is no such thing as an ABCombo switch. Please don't make up stuff. It's called either a 1-2-B switch (usually) or an A-B-Off (rarely). You need to identify the posts at the back of the switch in your diagram. With the DCP there already, I'm not sure what you are trying to do, and don't intend to spend much more time on it. Rather, I suggest you review the material provided here for YOU to better understand what you are trying to do. The reality is that I've helped over a hundred skippers both in forums and offline individually, over the past 25 years, so instead of continuing to do it one-by-one, I developed the links.
Listen to Maine Sail, he's the best. He is recuperating from a stroke and just got back to participating in forums. You should consider yourself blessed by his attention to your issues.
Happy New Year